Revisjoner og om dette dokumentets utgave
Gjeldende og nyeste utgave av dette dokumentet er tilgjengelig på www.milleteknik.se.
Dette dokumentets gyldighet kan ikke garanteres da ny utgave publiseres uten forvarsel.
Originalinstruksjoner: Svensk.[1].
Bruksanvisning, tekniske data og oversettelser av disse kan inneholde feil. Det er alltid installatørens ansvar å påse at produktet installeres på en sikker måte.
Symboler
Symboler | Navn | Forklaring |
|---|---|---|
![]() | Advarsel | Fare for elektrisk støt, feil installasjon eller varme overflater. Vises i noen manualer |
![]() | Legg merke til | Brukes til tilleggsinformasjon som tydeliggjør teksten. |
![]() | Forsiktighet/Viktig | Indikerer risikoen for skade på utstyret eller funksjonsfeil. Brukes også til informasjon som er viktig, men ikke sikkerhetsrelatert. |
![]() | Tips | Viser praktiske råd eller snarveier for installasjon, drift eller service. |
![]() | CE-merking | Produktet er i samsvar med gjeldende EU-direktiver og harmoniserte standarder. |
![]() | Les håndboken | Les bruksanvisningen før installasjon og service. |
![]() | Må ikke kastes i husholdningsavfall | Produktet er omfattet av WEEE-direktivet og må ikke kastes sammen med husholdningsavfall, det må resirkuleres og leveres til et resirkuleringssenter. |
Resirkulering | Emballasje, produkter og andre materialer som ikke inneholder elektronikk, må resirkuleres i samsvar med lokale miljøforskrifter. |
Les dette først!
Elektronikk, uavhengig av innkapsling, er beregnet for bruk i et kontrollert innemiljø. Nettspenningen bør kobles fra under installasjonen.
Det er installatørens ansvar at systemet er egnet til tiltenkt bruk. Kun autoriserte personer skal installere og vedlikeholde systemet.
All informasjon kan endres.
Om glassrørsikringer på sertifiserte enheter
Det er glassrørsikringer på kretskortets lastutganger, disse har en utkoblingstid på ca 150 ms. I tilfelle en glassrørssikring løsner EN belastningsutgang spenningen faller på ALLE belastningsutganger til 0 V i 150 ms.
Installatøren er ansvarlig for at det er en energibuffer på minst 150 ms. i systemer som drives av batteribackupen eller godta et strømbrudd på 150 ms.
Installasjon — generell informasjon
Installasjonen skal utføres av en faglært elektriker i samsvar med gjeldende nasjonale regler for elektrisk installasjon.
Produktet er av beskyttelsesklasse I og må kobles til en jordet 230 V vekselstrømskrets.
Den faste installasjonen skal ha en hovedbryter i henhold til IEC 60947-1. Bryteren skal være lett tilgjengelig og tydelig merket med sin funksjon.
Tilførselskabelens areal skal være minst 1,0 mm² og utstyrt med sikring T 2,5 A (stiv) eller tilsvarende.
AC- og lavspenningskabler må ikke trekkes sammen. Hold kabelrenner eller bunter adskilt.
Kontroller at beskyttelsesjord (PE) er riktig tilkoblet før du slår på spenningen.
Sørg for fri luftsirkulasjon rundt kabinettet minst 100 mm, med mindre annet er spesifisert. Ventilasjonsåpninger må ikke dekkes.
Produktet er beregnet for innendørs installasjon i normalt miljø (forurensning nummer 2 og innendørs klasse 1).
Disse generelle kravene gjelder for alle Milleteknik-produkter med 230 V nettforbindelse.
Krav til hovedbryter, sikring og kabeltverrsnitt
For å oppfylle gjeldende elektriske sikkerhetskrav, skal installasjonen være utstyrt med en hovedbryter i henhold til IEC 60947-1.
Komponent | Krav |
|---|---|
Hovedbryter | En hovedbryter i henhold til IEC 60947-1 skal være inkludert i installasjonen og være lett tilgjengelig. Separert fase (L) og nøytral (N). |
Sikring | Tilførselskretsen skal beskyttes av en sikring eller automatisk sikring med nominell strøm i henhold til produktspesifikasjonen. Se enhetens typeskilt. |
sikringer | Godkjent type i henhold til IEC 60127. |
Kabeltverrsnitt (230 V) | Minst 1,0 mm2 |
Kabellengde | Ved lengre ledninger bør spenningsfall tas i betraktning slik at driftsspenningen ikke faller under 230 V ± 10% ved enheten. |
Strekkavlastning | Alle kabler skal være korrekt avlastet, og dragavlastningen skal kontrolleres før enheten spenningssettes. |
Disse kravene gjelder for alle Milleteknik-produkter med 230 V nettforbindelse.
Tabellen nedenfor viser anbefalt kabelareal for lavstrømsinstallasjoner ved forskjellige spenninger, strømstyrker og kabellengder. Verdiene er basert på kobberkabel og et maksimalt spenningsfall på ca. 3% for å sikre drifts
V | Strømstyrke (A) | Kabellengde 10 meter | Kabellengde 30 meter | Kabellengde 60 meter | Kabellengde 100 meter |
|---|---|---|---|---|---|
24 V | 1A | 0,75 mm2 | 0,75 mm2 | 1,5 mm2 | 1,5 mm2 |
24 V | 3A | 0,75 mm2 | 0,75 mm2 | 1,5 mm2 | 2,5 mm2 |
24 V | 5A | 0,75 mm2 | 1,5 mm2 | 2,5 mm2 | 4 mm2 |
24 V | 10A | 1,5 mm2 | 2,5 mm2 | 6 mm2 | -* |
24 V | 15A | 1,5 mm2 | 4 mm2 | -* | -* |
24 V | 25A | 2,5 mm2 | 6 mm2 | -* | -* |
24 V | 40A | 4,0 mm2 | -* | -* | -* |
* Kabelområdet vil overstige dimensjonene på koblingsterminalen, derfor er det ikke mulig å bruke kabel større enn 6 mm! | |||||
Variantoversikt NOVA
Produktnavn | Sertifisert navn | Hovedkort: PRO1 | Hovedkort PRO2: | Hovedkort PRO2 v3 | Hovedkort: PRO3 |
|---|---|---|---|---|---|
NOVA 12V 10A FLX S | 12V oppfyller kravene, men er ikke sertifisert. | - | - | - | x |
NOVA 12V 10A FLX M | - | - | - | x | |
NOVA 12V 10A FLX L | - | - | - | x | |
NOVA 24V 5A FLX S | NOVA 25 50-FLX-S | X | X | - | X |
NOVA 24V 10A FLX S | NOVA 25 100-FLX-S | X | X | - | X |
NOVA 24V 5A FLX M | NOVA 25 50-FLX-M | X | X | - | X |
NOVA 24V 10A FLX M | NOVA 25 100-FLX-M | X | X | - | X |
NOVA 24V 15A FLX M | NOVA 25 150-FLX-M | X | X | X | - |
NOVA 24V 25A FLX M | NOVA 25 250-FLX-M | X | X | X | - |
NOVA 24V 5A FLX L | NOVA 25 50-FLX-L | X | X | - | X |
NOVA 24V 10A FLX L | NOVA 25 100-FLX-L | X | X | - | X |
NOVA 24V 15A FLX L | NOVA 25 150-FLX-L | X | X | X | - |
NOVA 24V 25A FLX L | NOVA 27 250-FLX-L | X | X | X | - |
Innkapsling
Montering - veggmontering
Produktene skal monteres på en stabil vegg eller monteringsplate med tilstrekkelig bæreevne for vekten av kabinettet, inkludert batterier.
Kabinettet er montert vertikalt.
Bruk fire skruer med en diameter på 4-5 mm, avhengig av underlaget.
Anbefalt avstand mellom skruehode og vegg skal være 1,5-2 mm.
For montering på gips, bør veggankere eller ekspansjonsbolter brukes.
Ved montering på betong eller murstein brukes veggplugger eller tilsvarende feste.
For god ventilasjon bør det være minst 100 mm ledig plass over og på sidene av kabinettet.
Enheten skal monteres i en behagelig arbeidshøyde, normalt mellom 1,4 og 1,8 m over gulvet.
Unngå plassering i direkte sollys, nær varmekilder eller i miljøer med høy luftfuktighet eller støv.
For utendørs bruk skal bare kabinetter med spesifisert IP-klasse for utendørs bruk brukes.
Installasjonen skal utføres i samsvar med gjeldende installasjonsregler og av en kompetent installatør.
Montering
Bruk egnede skruer for montering på vegg eller i 19" rack. Skruer for montering på vegg eller i rack inngår ikke.
[sv] För väggmontage i betong rekommenderas betongskruv med bricka. För rackmontage används M6 med kontramutter.
[sv] Skruvlängd ska anpassas efter väggmaterial och belastning.
[sv] Kaspling | [sv] Skruv |
|---|---|
[sv] FLX M | [sv] 4 x Betongskruv 7,5×72 mm + bricka. |
[sv] Monteringshål, avstånd och ø.

[sv] Beteckning | [sv] Förklaring | [sv] ø monteringshål |
|---|---|---|
A | [sv] Övre monteringshål. | [sv] 5,8 mm |
B | [sv] Nedre monteringshål. | [sv] 6,3 mm |
[sv] Kapsling, mått (BxHxD). | [sv] Monteringshål, avstånd ( B x H) invändigt i skåpet | [sv] Monteringshål, fästen, utanför skåpet |
|---|---|---|
[sv] 224 x 437 x 212 mm | [sv] - | [sv] 495 x 220 mm |
[sv] Vikt med batterier
[sv] Nettovikt | [sv] Vikt utan batterier | [sv] Batterityp | [sv] Antal | [sv] Batterier / vikt per styck | [sv] Vikt med batterier |
|---|---|---|---|---|---|
[sv] 8,6 kg | [sv] 9,4 kg | [sv] 20 Ah | 2 | [sv] 6,0 kg | [sv] 21,4 kg |
[sv] 9,2 kg | [sv] 10 kg | [sv] 20 Ah | 2 | [sv] 6,0 kg | [sv] 22 kg |
Braketter
Medfølgende braketter kan festes på to måter: Ved montering på vegg skal brakettene plasseres i bakkant mot veggen. Ved montering i 19" rack skal brakettene plasseres i forkant på enheten.
Brev | Forklaring |
|---|---|
A | Konsoll skyves inn fra bunnen og opp. |
B | Klipsen klikker inn når braketten sitter riktig. |
Viktig
Dersom alarmklasse 3 (SSF) skal oppfylles, må skap og sabotasjebryter monteres på vegg. Valgfritt, skapsabotasje M/L å sette en sabotasjebryter på veggen er tilgjengelig.
Montering i 19" rack
Produktet skal monteres i et standardisert 19" stativ eller skap med tilstrekkelig bæreevne for vekten av kabinettet inkludert batterier.
Enheten er montert horisontalt i stativet med de medfølgende rackørene eller tilsvarende braketter.
Kontroller at stativstolpene er riktig justert og at avstanden tilsvarer 19" standarden (465—470 mm mellom stolpenes innerkant).
Bruk minst to monteringspunkter (på hver side) på stativørene for stabilt feste. Anbefalt skruestørrelse er M5 eller M6
Ved montering skal burmuttere eller låseskiver brukes for å sikre at skruene sitter godt.
For god ventilasjon bør det være minst 100 mm ledig plass over og under enheten. Ikke blokker luftstrømmen foran eller bak.
Enheten skal monteres i en høyde som gir god tilgang ved service.
Unngå å plassere i direkte sollys, i nærheten av varmekilder eller i miljøer med høy luftfuktighet eller støv, med mindre kabinettet er beregnet på dette.
Batterier skal alltid plasseres som anvist og må ikke blokkere ventilasjonsåpninger eller ledninger.
Installasjonen skal utføres i samsvar med gjeldende installasjonsregler og av en kompetent installatør.
Komponentoversikt
NOVA FLX M

Bokstav | Forklaring |
|---|---|
A | Braketter for montering på vegg eller i 19" rack. |
B | Sabotasjebryter. Dersom alarmklasse 3 (SSF) skal oppfylles, må sabotasjekontakten være på veggen. |
C | Innkapsling i pulverlakkert metall. |
D | Plass til distribusjonskort. |
E | Nettaggregat. |
F | Kabelinnføringer. |
G | Hovedkort. |
G1 | Effektkort. |
G2 | Lastkort. |
H | Dør med lås. |
I | Plass til batterier. |
Batterier – sette i og koble til
Koble til batterier

Vær oppmerksom på at kort (4) kan variere fra konfigurasjon til konfigurasjon.
Nr. | Forklaring |
|---|---|
1 | Minusterminal for batterikabel fra 4. |
2 | Sikring. |
3 | Plussterminal for batterikabel fra 4. |
4 | Hovedkort, varierer avhengig av konfigurasjon. |
5 | Batterikablene sitter på hovedkortet. |
6 | Kabel som skal kuttes ved tilkobling av batteriboks. |
7 | Tilkobling for batteriboks. |
Koble til batterisikring / bladsikring

Skjema - Innkobling av batterier, 24 V
Batterikablene er montert på hovedkortet ved levering. Bildene nedenfor viser hvordan de skal kobles.
1. Plasser batteriene i innkapslingen med batteriterminalene ut mot døren.
2. Koble batterikablene til batteriet. Rød kabel på pluss og svart kabel på minus.
• Dersom det er mulig, kobler du fra nettspenningen ved tilkobling eller utskifting av batterier.tte.

Koble batterikabler til riktige terminaler. Feilkobling kan føre til skade på utstyret.
Hovedkort - beskrivelse
Hovedkortet styrer enheten, fordeler effekt og kommuniserer med andre systemer. Se tekniske data for mer informasjon.

Nr . | På kretskort | Forklaring |
|---|---|---|
1 | Dip SW | Dip-switch 1-8 |
2 | J20 | Tilkobling relékort. |
3 | JU17 | Tilkobling ekstern LED. |
4 | - | Programmeringskontakt. |
5 | J13 | Tilbakestilling av data etter batteribytte. |
6 | J6 | Temperaturgiver. |
7 | P2:7-13 7-8 9-10 11 12 13 | Kommunikasjonstilkobling. RS-485 GND, jord RX TX +5V |
8 | P2:1-4 1 2 3 4 | Lastutganger. + - + - |
9 | J29 | Tilkobling til vifte. |
10 | J14 | Tilkobling manipuleringsalarm. |
11 | J3 | Tilkobling manipuleringsalarm fra batteriboks. |
12 | J1 | Tilkobling tilleggskort. |
13 | J4 | Tilkobling ekstern sikring (NO). |
14 | J7/21 | Tilkobling til ekstern sikring (NC). |
15 | P1:1-3 | Innkommende strømledninger (230 V). L, N, PE. |
Sikringer
Sikring | Type | Forklaring |
|---|---|---|
F1 | T16A | Sikring for nettaggregat. |
F2 | T250m | Lastsäkring 2 + (för P2:3). |
F3 | T250mA | Lastsäkring 1 + (för P2:1). |
F4 | T4A | Elnätssäkring. |
F5 | T16A | Lastsikring 1 - (for P2:2) |
Advarsel for utskifting av sikringer (A)
Dersom det benyttes større sikringer enn det enheten leveres med, medfører dette en skaderisiko. Sikringens oppgave er å beskytte tilkoblet last og tilhørende lastkabler mot skade og brann. Det er ikke mulig å bytte til en større sikring for å øke strømuttaket.
Koble til strømnett
Koble strømnett til hovedkort med terminalblokk
Trekk strømnettkablene gjennom kabelinnføringen i innkapslingen.
Sikre L og N med buntebånd.
Viktig
Nettledninger må holdes atskilt fra andre ledninger for å unngå EMC-forstyrrelser.
Viktig
beskyttende jorden (PE) skal kobles til PE-terminalen på hovedkortet. Hovedkortet er jordet via monteringspunktene i kabinettet, noe som sikrer riktig potensiell utjevning mellom PCB og kabinett. Dekselet er også jordet gjennom jordkabel/jordflette mellom deksel og kabinett for å opprettholde kontinuitet og EMC-funksjon

Koble strømnettkablene til terminalblokken før denne settes tilbake på hovedkortet. Sikre L (F) og N med buntebånd.
Bokstav | Forklaring |
|---|---|
L | L=Line |
N | Null |
PE | Vernejord |
Tilkobling til nett 230 V AC på kretskort
Kontroller slik at markeringen på kretskortet stemmer overens med kabelplasseringen på terminalen.
Koble til last
Maksstrøm
Maksimal strøm må ikke overskrides. Maksstrøm er angitt på navneskilt på enheten.
Last utganger med SSF-sertifikat
For at sertifikat skal opprettholdes må kun én lastutgang benyttes.
Hvis det er ett eller flere tilkoblingskort for å øke antallet lastutganger eller skape lastselektivitet, skal last tilkobles på tilleggskort og ikke på hovedkortet.
[sv] På kretskort | Forklaring |
|---|---|
P2:1 | Tilkobling for last 1+ |
P2:2 | Tilkobling for last 1 - |
P2:3 | Tilkobling for last 2+ |
P2:4 | Tilkobling for last 2 - |
Obs
Last skal bare kobles på hovedkortet i 5 og 10 amperes enheter. For andre enheter skal last kobles via effektkort eller tilleggskort.
Tilkobling av last 15–25 amperes enheter
For enheter med effektkort, som brukes til å håndtere de høyere strømstyrkene (15 ampere og over), skal last kobles til på tilleggskort.
Se dokumentasjonen for tilleggskortet for mer informasjon om tilkobling av last.
Advarsel
Last skal ikke kobles til hovedkortet hvis enheten er 15 eller 25 ampere, da det vil ødelegge hovedkortet ved idriftsetting. Hovedkort som ødelegges på denne måten, omfattes ikke av garantien.

Effektkortet øker strømmen for enheter på 15 og 25 ampere.
Alarm via kommunikasjon
Kommunikasjon kobles til på terminalblokk 7–13. Se dokumentasjonen for overordnet system for mer informasjon om kompatible protokoller.
Kommunikasjon til overordnet system
Det er mulig å koble til kommunikasjon til et overordnet system via tilkoblinger på P2. Se dokumentasjonen for overordnet system for mer informasjon om kompatible protokoller. Se tekniske data for mer informasjon om alarm.
Terminalblokk | Forklaring |
|---|---|
P2:7 | RS-485 - |
P2:8 | RS-485 + |
P2:9 | System-minus - |
P2:10 | System-minus - |
P2:11 | RXD |
P2:12 | TXD |
P2:13 | +5 V |
Dip-switch 1-8
DIP-switch har flere ulike konfigurasjoner:
Dip-switch | I nettdrift eller batteridrift |
|---|---|
1 | Adresseinnstilling for ekstern kommunikasjon. |
2 | Adresseinnstilling for ekstern kommunikasjon. |
3 | Adresseinnstilling for ekstern kommunikasjon. |
4 | Adresseinnstilling for ekstern kommunikasjon. |
5 | Stiller inn forsinkelse for alarm ved strømnettfeil |
6 | Stiller inn forsinkelse for alarm ved strømnettfeil |
7 | Stiller alarmgrensen for lav batterispenning ved batteridrift. |
8 | Slår av eller på LED. |
8 i sekvens | Utfør batteritest |
Adresseinnstilling for ekstern kommunikasjon (DIP-switch 1–4)
DIP-switch S1: 1–4 angir adressering.
Dip: 1 | Dip: 2 | Dip: 3 | Dip:4 | |
|---|---|---|---|---|
Adresse 1 | ON | OFF | OFF | OFF |
Adresse 2 | OFF | ON | OFF | OFF |
Adresse 3 | ON | ON | OFF | OFF |
Adresse 4 | OFF | OFF | ON | OFF |
Adresse 5 | ON | OFF | ON | OFF |
Adresse 6 | OFF | ON | ON | OFF |
Adresse 7 | ON | ON | ON | OFF |
Adresse 8 | OFF | OFF | OFF | ON |
Adresse 9 | ON | OFF | OFF | ON |
Adresse 10 | OFF | ON | OFF | ON |
Adresse 11 | ON | ON | OFF | ON |
Adresse 12 | OFF | OFF | ON | ON |
Adresse 13 | ON | OFF | ON | ON |
Adresse 14 | OFF | ON | ON | ON |
Adresse 15 | ON | ON | ON | ON |
Forsinkelse ved strømnettfeil (DIP 5–6)
Det er mulig å endre hvor lang tid som skal gå før alarm utløses ved strømnettfeil. Bruk tabellen til å stille inn alarmen.
Alarm ved strømnettfeil etter: | Dip 5 | Dip 6 |
|---|---|---|
3 sekunder | OFF | OFF |
30 minutter | ON | OFF |
60 minutter | OFF | ON |
240 minutter (4 timer) | ON | ON |
Lav batterispenning (DIP 7)
DIP: 7 har samme funksjon uavhengig av om enheten er i nett- eller batteridrift, eller om bryteren for manipuleringsalarm holdes inne.
Alarm for lav batterispenning gis ved | Dip 7 |
|---|---|
22,8 V* | ON |
24 V | OFF |
*25 % av batterikapasiteten gjenstår. | |
LED (DIP 8)
LED/batteritest slås alltid på når døren er åpen.
DIP-switch 8 = ON slår av LED.
DIP-switch 8 = ON slår på LED.
Batteritest (DIP 8)
Ved batteritest må DIP 8 bytte posisjon, og det må gå fem sekunder før testen initieres.
Dersom DIP 8 i utgangspunktet står på OFF, settes den til ON (vent i 5 sekunder) og settes deretter tilbake til OFF igjen.
Dersom DIP 8 i utgangspunktet står på ON, settes den til OFF (vent i 5 sekunder) og settes deretter tilbake til ON igjen.
Dette starter batteritesten etter 3–8 sekunder. Batteritesten tar ca. 6 sekunder, og LED-en blinker raskt gult. Når batteritesten utføres, kan det gis alarm om gammelt batteri.
Vent med å tilbakestille DIP 8 til testen er fullført.
Omstart for å bekrefte endringer i adresse, batteri- og alarminnstillinger mot overordnet system
Etter at DIP-switch er stilt inn for ulike parametere, må enhetens programvare startes på nytt. Det må gjøres for at de nye innstillingene skal legges inn og tre i kraft.
Viktig
Omstart med denne fremgangsmåten bryter ikke utspenningen.
Omstart av enhetsprogramvaren gjøres ved å brokoble J13 (PRO2)
Viktig
Omstart må utføres hver gang det gjøres en endring i enheten.
Alarmkort for hovedkort: PRO2
Relékort - beskrivelse, tilkoblinger og alarmutganger.
Alle feilalarmreléer må være i trukket tilstand. Sjekk at det er forbindelse mellom CO og NC. Still inn måleinstrumentet til kontinuitetsmåling og testavslutning. Dette skal da indikere kortslutning.
Alle releer er normalt aktivert og gir en alarm når de er koblet fra.
Viktig
Det er normalt en 10 sekunders forsinkelse i tilbakestilling av alarm. Programvaren på hovedkortet må konfigureres for en annen tidsperiode.
![]() |
Nei | Terminalnr | Relé er normalt aktivert. | Alarmtype eller forklaring |
|---|---|---|---|
1 | J7 | - | Tilkobling for RS-232 kabel. |
2 | P4:1 | - | RS-232: TxD, data OUT fra hovedkort. |
P4:2 | - | RS-232: RxD, data IN til hovedkort. | |
P4:3 | - | RS-232: Jord, ikke koble jord til en annen terminal. | |
3 | J6 | - | Reisegenser. |
4 | D7 | - | Indikatordiode, blinker grønt under normal drift. |
5,5.1, 5.2 | P5:1-3 | NEI, COM, NC | Sabotasjealarm, (valgfritt for EN54). 5.1 Relé. 5.2 LED, lyser grønt når reléet er aktivert. |
6, 6.1, 6.2 | P5:4-6 | NEI, COM, NC | Alarm for: Lav systemspenning. 6.1 Relé. 6.2 LED, lyser grønt når reléet er aktivert. |
7, 7.1, 7.2 | P5:7-9 | NEI, COM, NC | Alarmer for: Sikringssvikt, laderfeil overspenning, laderfeil underspenning, cellefeil/ikke tilkoblet batteri, lav batterispenning ved nettbrudd og gammelt batteri. 7.1 Relé. 7.2 LED, lyser grønt når reléet er aktivert. |
8, 8.1, 8.2 | P5:10-12 | NEI, COM, NC | Strømbruddsalarm. 8.1 Relé. 8.2 LED, lyser grønt når reléet er aktivert. |
9 | J11 | - | Tilkobling til hovedkort. |
Via kommunikasjon på PRO2-kort: Alle alarmer og alarmer for: Viftefeil, overtemperatur, undertemperatur, kort batteritid igjen, overstrøm 100 % av minuttgjennomsnitt, overstrøm 80 % daglig snitt og overstrøm 175 % andre snitt. | |||
Flere enheter til et overordnet system
For å koble flere enheter til et overordnet system må last-minus mellom flere batteri-backuper kobles sammen.
![]() |
Idriftsettelse – slik starter du enheten
Koble til i denne rekkefølgen
For å minimere risikoen for feil som kan oppstå i forbindelse med kortslutning, skal tilkoblinger til hovedkort skje i denne rekkefølgen.
Viktig
For innstilling av dip-brytere og adressering - se online manual via QR-kode.
Koble til last, alarm og ev andre forbindelser.
Koble inn batterier.
Koble til / slå på sikringer.
Skru nettkabelen inn i terminalen og fest terminalen til hovedkortet.
Slå på nettspenningen.
Enheten fungerer normalt når LED på utsiden av døren lyser grønt. Se frontpanel / dør for andre statusindikasjoner.
Det kan ta opptil 72 timer før batteriene er fulladet.
72 timer etter igangkjøring / batteriskifte
De første 72 timene etter igangkjøring utfører ikke enheten en batterikapasitetstest. Testen utsettes slik at enheten ikke feilalarmer før batteriene er ladet. Enheten må alltid startes med nye batterier ved igangkjøring eller batteriskifte, og det er usannsynlig at nye batterier er defekte.
Systemtest
Test tilkoblet enhet ved å gjøre en systemtest etterpå igangkjøring.
Viktig
La batteriene lade i et par timer, bruk et multimeter for å måle spenningen på hvert batteri. Spenningen skal være minst 12,7 V per batteri.
Slå på innkommende nettspenning.
LED-en på utsiden av skapdøren lyser med et fast grønt lys. Koble fra nettspenningen for å kontrollere at enheten fungerer i batteridrift og alarmer.
LED på skapdøren indikerer, se panel for alarmtype.
Slå på innkommende nettspenning, LED på utsiden av skapdøren lyser med et fast grønt lys. Normal operasjon.
Gjenoppretting
Tilbakestill enheten ved å slå enheten helt av.
Koble fra batterikabler og nettspenning og koble til igjen etter 5 sekunder.
Alarm vises på dør / LED
Ved normal drift lyser LED-en grønt.
![]() |
Alarm som vises på dør / LED | Forklaring |
|---|---|
Lyser grønt | Normal drift. |
Langsomme grønne blink | Manipuleringsalarm. |
Hurtige grønne blink | Alarm ved strømnettfeil. |
Lyser gult | Lav batterispenning. |
Langsomme gule blink | Gamle batterier. |
Hurtige gule blink | Frakoblede batterier eller batterikortslutning. |
Lyser rødt | Høy eller lav spenning eller defekt lader. |
Langsomme røde blink | Lav systemspenning. |
Hurtige røde blink | Lastsikring er gått eller batterisikring er gått. |
Svart / lyser ikke | Dyputladingsbeskyttelse er aktivert. (Enheten har stengt av.) |
Når systemet er i drift: Dersom LED-en ikke lyser, er dyputladningsbeskyttelse er aktivert.
Notat
Hvis indikatorlampen blinker hvert 15. sekund, er batteriet fulladet og ladingen er i hvilefase for å forlenge batteriets levetid. I tilfelle strømbrudd i hvilefasen, bytter batteribackupen til batteridrift som vanlig
Justering av manipuleringsalarm
![]() |
Følerarmen på manipuleringsalarmen skal være i lukket posisjon (stengt) når døren er igjen. Går alarmen (”tamper alarm” / alarm til undersentral), kan det hende følerarmen må justeres.
Slik justerer du følerarmen:
Klem til med en flattang midt på følerarmen.
Juster følerarmen forsiktig i ønsket retning (opp/ned).
Kontroller ved å stenge døren. Det høres et klikk når kontakten lukkes.
Notat
Manipuleringsalarmen skal ikke utløses når døren er lukket og låst.
Vedlikehold
Med unntak av vifte og batterier er systemet vedlikeholdsfritt ved installasjon i innendørsmiljø.
Kontroller viften årlig. Viften skal rotere problemfritt uten ulyd. Hold viften fri for støv og smuss. Viften må byttes dersom den ikke roterer problemfritt, eller dersom den er så tilsmusset at det ikke er mulig å rengjøre den ordentlig. Hvis viften ikke fungerer godt, hindres luftstrømmen i enheten, noe som øker varmen i innkapslingen. Dette kan føre til at batterikapasiteten blir dårligere og at batteriene må skiftes oftere.
Batterier
Batterier genererer elektrisitet gjennom en kjemisk prosess og det skjer dermed en naturlig nedbrytning av kapasiteten. Den største faktoren for batterilevetid er temperatur. Jo høyere temperatur, jo kortere batterilevetid. Produksjonsdatoen stemplet på batteriet og levetiden (som oppgitt av batteriprodusenten). En ideell temperatur er 20 °C både under drift og lagring. Høyere omgivelsestemperatur reduserer levetiden betydelig. Dermed varierer faktisk levetid ved bruk. Batteriene bør skiftes etterpå halv spesifisert (fra batteriprodusenten) levetid for sikker drift. Batterier kjøpt gjennom produsenten av batteribackupen har en levetid (fra batteriprodusenten) på mellom 10-12 år med anbefalt utskifting etter 5-6 år.

[sv] Tillverkarens angivna livslängd[a] | [sv] Batteri i drift bör bytas efter[b]. | ||||||||||||||||||||||||||||||||||||||||||||||||
|---|---|---|---|---|---|---|---|---|---|---|---|---|---|---|---|---|---|---|---|---|---|---|---|---|---|---|---|---|---|---|---|---|---|---|---|---|---|---|---|---|---|---|---|---|---|---|---|---|---|
[sv] 3-5 år | [sv] 2-3 år | ||||||||||||||||||||||||||||||||||||||||||||||||
[sv] 6-9 år | [sv] 3-5 år | ||||||||||||||||||||||||||||||||||||||||||||||||
[sv] 10-12 år | [sv] 5-7 år | ||||||||||||||||||||||||||||||||||||||||||||||||
[sv] 15+ år | [sv] 8-10 år | ||||||||||||||||||||||||||||||||||||||||||||||||
[a] Gäller vid helt outnyttjat batteri som är lagrat under optimala förhållanden. [b] Vid drift i ideal omgivningstemperatur, 20 °C. | |||||||||||||||||||||||||||||||||||||||||||||||||
Batteribytte
• Bryt nettspenningen ved batteribytte, om mulig.
• Koble ut batterikabler. Merk deg hvordan batterikablene er montert før de fjernes.
• Fjern batterisikring mellom batterier.
• Sett inn og fest de nye batteriene.
• Koble til batterikablene på samme måte som de forrige.
• Fest batterisikringen mellom batterier.
• Slå på nettspenningen. Eventuelt kan indikeringsdioden lyse for lav batterispenning / nettutfall inntil batterier er ladet. Det kan ta opp til 72 timer før batteriene er fulladet.
• Test systemet ved å kortvarig koble ut nettspenningen, (= lasten skal drives videre av batteriene), og deretter koble inn nettspenningen igjen.
Resirkulering av batterier
Alle batterier må resirkuleres. Returner til produsenten eller lever på gjenvinningsstasjonen.

Sikkerhetsinformasjon - Service og feilsøking
Hvis mulig, må du bryte nettspenningen før du starter noe arbeid, for eksempel service, batteribytte, måling eller feilsøking.
Fjern batterisikringen/pluggen før du arbeider på DC-siden.
Kontroller at alle kabler er riktig tilkoblet og jordet før du setter enheten på nytt.
Produktet kan inneholde komponenter som blir varme under drift. Unngå å berøre interne komponenter rett etter at strømmen er slått av.
Hvis sikringene kobles ut gjentatte ganger, se Feilsøking eller koble fra enheten og ta kontakt med Milleteknik teknisk support.
Ved mistanke om skade, inntrenging av væske eller brent lukt må produktet ikke brukes før det er kontrollert av kvalifisert personell.
Under drift skal huset lukkes og låses (hvis enheten har en lås).
Kun autorisert servicepersonell kan utføre reparasjoner på enheten.
Bruk kun originale sikringer og batterier av samme type og verdi som angitt i håndbok/produktarket.
Milleteknik er ikke ansvarlig for skader forårsaket av feil håndtering, modifikasjon eller ikke-godkjente komponenter.
Feilsøking
Hvis enheten ikke fungerer som forventet, gå gjennom følgende kontroller:
Problem | Mulig årsak | Tiltak |
|---|---|---|
Ingen utgangsspenning. | Ingen nettspenning, sikring utløst eller batterisvikt. | Kontroller tilførselen, sikringene og batteritilkoblingene. |
Batteriet lades ikke. | Feil batteritilkobling eller batterisikring har utløst. | Kontroller batterikablene og bytt batterisikring om nødvendig. |
Enheten starter, men gir alarm. | Batterier som ikke er tilstrekkelig ladet eller defekt last eller batteri. | Vent 72 timer til batteriene er fulladet. Kontroller at belastningen ikke overskrider enhetens merkestrøm. |
LED blinker. | Informasjon, advarsel eller feil. | Se panel eller håndbok for forklaring. |
Sikringer går ofte. | Kortslutning eller overbelastning. | Kontroller tilkoblede enheter, bytt sikringen først etter at årsaken er løst. |
Enheten blir varm | Høy belastning eller utilstrekkelig ventilasjon | Kontroller at nominell strøm ikke overskrides og at luftstrømmen er tilstede rundt huset. |
Hvis problemet vedvarer etter disse kontrollene, kan du kontakte Milleteknik-kundestøtte og oppgi produktnavn, serienummer og en kort feilbeskrivelse.
NOVA produktblad
SSF1014 sertifisert batteribackup med kommunikasjon
![]() |
NOVA FLX M monteres på vegg eller i 19" rack.
Tekniske spesifikasjoner
Disse tekniske spesifikasjonene kan endres uten varsel.
Navn, artikkelnummer og e-nummer
Navn | Artikkelnummer | E-postnummer |
|---|---|---|
NOVA 24V 15A FLX M | FM01P23024P150-SSF | 52 136 39 |
NOVA 24V 25A FLX M | FM01P23024P250-SSF | 52 136 40 |
Om NOVA FLX
NOVA FLX brukes hovedsakelig i sikkerhetssystemer som krever SSF 1014-godkjent batteri-backup eller stiller enda høyere krav. Det kan være krav om større fleksibilitet, flere alarmfunksjoner, lengre batteridriftstid eller at batteri-backupen må kunne håndtere høyere last.
NOVA-serien er som de fleste systemer på det svenske markedet systemsertifisert i henhold til den svenske normen SSF 1014. Milleteknik har salgsretten for to ulike systemer i det svenske markedet – Sentrion NOVA-serien har kommunikasjon via RS485 til Sentrion S4, S4 DUO og CISS. Integra. Med MOVEO kit (tilleggsutstyr) fås RS232-kommunikasjon med Integra MOVEO og MOVEO XL.
Fleksibilitet
NOVA FLX S kan ha en ekstra batteriboks. NOVA FLX M og NOVA FLX L med 1-4 ekstra batteribokser*. NOVA FLX M og NOVA FLX L med batterihyller i 19" stativ*. *Batteriboksene og hyllene kobles til via en 9-pinners kontakt. Batteriboksen har plass til inntil 2 stk. 45 Ah batterier per batteriboks. Batterihyller har plass til 2 stk. 45 Ah batterier (Medium) og inntil 2 stk. 150 Ah batterier (Large) per hver batterihylle.
Fast installasjon
Produktet er beregnet for fast installasjon. Installasjon skal utføres av autorisert installatør.
Bruksområde
NOVA FLX brukes mest til adgangssystemer, innbruddsalarm og integrerte sikkerhetssystem i offentlige miljøer som skoler, kontorer og næringsbygg.
Se installasjonsfilm
Regelverk og sertifiseringer
Standarder som produkt(er) oppfyller og er godkjent for
SBF 110:8 |
SSF1014 Alarmklasse 1-4 (innbruddsalarm). |
SSF1014, utgave 5. |
Sertifikatnummer, SBSC | Betegnelse SBSC |
|---|---|
nr. 18-246 | NOVA 27 250-FLX, NOVA 27 150-FLX, NOVA 27 100-FLX, NOVA 27 50-FLX, NOVA 13 100-FLX, NOVA 27 100-XS2, NOVA 27 50-XS2, NOVA 27 30-XS2, NOVA 13 100-XS2, NOVA 13 50-XS2 |
nr. 20-117 | NOVA 27 50-FLX S • NOVA 27 100-FLX S • NOVA 27 50-FLX M • NOVA 27 100-FLX M • NOVA 27 150-FLX M • NOVA 27 250-FLX M • NOVA 27 50-FLX L • NOVA 27 100-FLX L • NOVA 27 150-FLX L • NOVA 27 250-FLX L Unison Facility Cabinet |
Sertifikatnummer, RiSE |
|---|
SC0204-19 |
Krav som produktet oppfyller
EMC: | EMC-direktivet 2014/30EU |
CE: | CE-direktivet ifølge: 765/2008 |
Utslipp: | EN61000-6-:2001 EN 55022:1998: -A 1:2000, A2:2003 Klasse B, EN61000- 3-2:2001, EN 55032 (erstatter EN 55022) |
Maskindirektivet | Produktet er en del av elektriske systemer, er underlagt relevante elektriske og sikkerhetsdirektiver og er ikke en maskin i henhold til maskindirektivet (2006/42/EF). |
Økodesign | Milletekniks produkter er beregnet for profesjonell bruk og er derfor ikke direkte omfattet av miljødesignforordningen (EU 2019/1782). Siden enkelte komponenter kan dekkes, avslører vi likevel relevant informasjon for å gi våre kunder tillit til deres valg |


Reserver driftstider, strømuttak og belastningsutgangsstrøm
Ladestrøm for batterier og batterikapasitet
Enheten leser den tilkoblede systembelastningen og lader batteriene med tilgjengelig reststrøm fra strømforsyningen. Enheten utfører kvalifiserte* batteritester og varsler når batterier må skiftes. Batteriene lades skånsomt for å forlenge levetiden og det er beskyttelse mot overlading.
12 V / 24 V | Maks ladestrøm for batterier |
|---|---|
NOVA FLX M | 6 A |
Batteribackupen har kontrollert lading** (kontrollert lading) som forhindrer at batteriene overlades og forlenger levetiden betraktelig. NOVA-serien skal brukes med AGM-batterier.
24 V | Batterikapasitet | Maks batterikapasitet med 1 batteriboks | Maks batterikapasitet med 2 batteribokser | Maks batterikapasitet med 3 batteribokser | Maks batterikapasitet med 4 batteribokser |
|---|---|---|---|---|---|
NOVA FLX M, 24 V | 20 Ah (2 x 20 Ah | 65 Ah (4 x 20 Ah) | 110 Ah (2 x 20 Ah + 2 x 45 Ah) | 155 Ah (6 x 20 Ah + 2 x 45 Ah) | 200 Ah (2 x 20 Ah + 8 x 45 Ah) |
Strømuttak NOVA FLX
NOVA 24V 15A FLX M | Enhet uten batteriboks | Enhet med 1 batteriboks | Enhet med 2 batteribokser | Enhet med 3 batteribokser | Enhet med 4 batteribokser |
|---|---|---|---|---|---|
Batteri | 2 stk 20 Ah | 2 stk 45 Ah / 2 stk 20 Ah + 2 stk 45 Ah | 4 stk 45 Ah / 2 stk 20 Ah + 4 stk 45 Ah | 64 enheter 45 Ah / 2 stk 20 Ah + 6 stk 45 Ah | 8 stk 45 Ah / 2 stk 20 Ah + 8 stk 45 Ah |
Maks batterikapasitet | 20 Ah | 45 Ah / 65 Ah | 90 Ah / 110 Ah | 135 Ah / 155 Ah | 180 Ah / 200 Ah |
I følge. SSF1014, Alarmklasse 1-2 | 1,5 A | 3,6 A / 5,2 A | 7,3 A / 9,0 A | 11,1 A / 12,7 A | 14,8 A / - |
I følge. SSF1014, Alarmklasse 3-4 | 0,55A | 1,4 A / 2,0 A | 2,9 A / 3,5 A | 4,4 A / 5,0 A | 5,9 A / 6,5 A |
Imax A (maks utladningsstrøm) | 14 A | 14 A | 14 A | 14 A | 14 A |
Imax b (maks ladestrøm) | 15 A | 15 A | 15 A | 15 A | 15 A |
Imin er alltid 0 A. | |||||
NOVA 24V 25A FLX M | Enhet uten batteriboks | Enhet med 1 batteriboks | Enhet med 2 batteribokser | Enhet med 3 batteribokser | Enhet med 4 batteribokser |
|---|---|---|---|---|---|
Batteri | 2 stk 20 Ah | 2 stk 45 Ah / 2 stk 20 Ah + 2 stk 45 Ah | 4 stk 45 Ah / 2 stk 20 Ah + 4 stk 45 Ah | 64 enheter 45 Ah / 2 stk 20 Ah + 6 stk 45 Ah | 8 stk 45 Ah / 2 stk 20 Ah + 8 stk 45 Ah |
Maks batterikapasitet | 20 Ah | 45 Ah / 65 Ah | 90 Ah / 110 Ah | 135 Ah / 155 Ah | 180 Ah / 200 Ah |
I følge. SSF1014, Alarmklasse 1-2 | 1,5 A | 3,6 A / 5,2 A | 7,3 A / 9,0 A | 11,1 A / 12,7 A | 14,8 A / 16,5 A |
I følge. SSF1014, Alarmklasse 3-4 | 0,55A | 1,4 A / 2,0 A | 2,9 A / 3,5 A | 4,4 A / 5,0 A | 5,9 A / 6,5 A |
Imax A (maks utladningsstrøm) | 25 A | 25 A | 25 A | 25 A | 25 A |
Imax b (maks ladestrøm) | 30 A | 30 A | 30 A | 30 A | 30 A |
Imin er alltid 0 A. | |||||
Tillatt gjennomsnittsbelastning i henhold til SSF1014 Alarmklasse 1-4:
Tillatt gjennomsnittsbelastning i henhold til SSF1014 Alarmklasse 1-4: | NOVA 24V 5A FLX M | NOVA 24V 10A FLX M | NOVA 24V 25A FLX M | NOVA 24V 25A FLX L |
|---|---|---|---|---|
FLX M uten batteriboks i henhold til Alarmklasse 1-2 / 3-4 | 1,6 A / 0,55 A | 1,6 A / 0,55 A | 1,6 A / 0,55 A | 1,6 A / 0,55 A |
Inkludert 1 stk. Batteriboks FLX M, i henhold til Alarmklasse 1-2 / 3-4: | 3,7 A / 1,5 A | 3,7 A / 1,5 A | 3,6 A / 1,4 A | 3,6 A / 1,4 A |
Inkludert 2 stk. Batteriboks FLX M, i henhold til Alarmklasse 1-2 / 3-4: | - | 7,4A / 3A | 7,3 A / 2,9 A | 7,3 A / 2,9 A |
Inkludert 3 stk. Batteriboks FLX M, i henhold til Alarmklasse 1-2 / 3-4: | - | - | 11,1 A / 4,4 A | 11,1 A / 4,4 A |
Inkludert 4 stk. Batteriboks FLX M, i henhold til Alarmklasse 1-2 / 3-4: | - | - | - | 14,8 A / 5,9 A |
Reserver driftstider for ulike alarmklasser - oversikt
Alarmklasse | Reservedriftstid ved strømbrudd | Maksimalt antall timer lading av batterier (80 %) |
|---|---|---|
EN54-4 | - | 24 timer |
SBF110:8 | 30 t + 10 min | 24 timer |
EN50131-6 klasse 1-2 | 12 timer | 72 timer |
EN50131-6 klasse 3 | 24 timer | 24 timer |
SSF1014 Alarmklasse 1/2 | 12 timer | 72 timer |
SSF1014 Alarmklasse 3/4 | 30 t (i urbane områder) / 60 t (ikke-urbane områder) | 24 timer |
Tabellen viser reservedriftstid og batteriladingskrav for ulike alarmklasser.
Kretskort - Tekniske data
Tekniske data, hovedkort: PRO 2 V3
Info | Forklaring |
|---|---|
Kortnavn: | PRO 2 V3 |
Produktbeskrivelse | Hovedkort i batteri-backup med avanserte funksjoner og kommunikasjon til overordnet system. |
Eget forbruk, med relékort | Mindre enn 210 mA. 100 mA uten effektsteg med alle releer på eksternt alarmkort i aktiv tilstand. |
Byttetid fra nettspenning til batteridrift | Når batterier er i hvilesyklus: <5 mikrosekunder. Når batterier er i ladesyklus: 0 (ingen). Batteriene er i hvilesyklus i 20 døgn og deretter starter en ladesyklus der batteriene lades i 72 timer. Om det oppstår strømnettfeil mens batteriene er i hvilesyklus, kobles batteriene inn på under 5 mikrosekunder. Om det oppstår strømnettfeil mens batteriene er i ladesyklus, er det ingen omkoblingstid. |
Innkommende strømnett | 230 V AC -240 V AC, 47-63 Hz. |
Nettsikring | Se tabell: Sikringer. |
Indikasjon | LED på kretskort/skapdør |
Alarm
Alarm vises på indikatordioden foran på skapet.
Battericellefeil eller batteriet er ikke tilkoblet.
Defekt lader, lav spenning.
Defekt lader, høy spenning.
Lav systemspenning. Systemspenning under 24,0 V i nettdrift.
• Lav batterispenning, under 24,0 V DC ved strømnettfeil.
Lav batterispenning, under 24,0 V DC ved strømnettfeil.
Bryter for manipuleringsalarm.
Defekt sikring.
Gammelt batteri
Utvidende alarmfunksjoner kan oppnås via kommunikasjon eller med et alarmkort.
Info | Forklaring |
|---|---|
Alarm ved bytte av relé? (Ja Nei) | Ja |
Protokoll for alarmutgang (kommunikasjonsprotokoll) | RS-485 |
Lastutganger, antall | 2 |
Spenning på lastutgang | 27,3V DC |
Spenningsgrense, øvre, på lastutgang | 27,9V DC |
Spenningsgrense, nedre, på lastutgang. Med batteridrift og frakoblet nettspenning. | 20V DC |
Prioriterte (alltid spenning) lastutganger (Ja/Nei) | - |
Maks belastning, per utgang | 10 A |
Maksimal belastning, totalt, (må ikke overskrides). | 10 A |
Last utgang pluss (+) sikring? (Ja Nei) | - |
Lastutgang minus (-) sikret (Ja/Nei) | - |
Sikringer på utgang | Ja, se tabell: Sikringer. |
Tilkobling til summer? (Ja Nei) | - |
Sikringer | Type |
|---|---|
1,5 A | T1,5A |
3 A | T3A |
5 A | T5A |
10 A | T10A |
15 A | Bilforsikring; 15A |
25 A | Bilforsikring; 25A |
Nettsikring på 12V enheter | T2.5AH250V. Keramikk. |
Nettsikring på 24 V, 5A -15A enheter | T2.5AH250V. Keramikk. |
Nettsikring på 24 V, 25 A enheter | T4AH250V. Keramikk. |
Info | Forklaring |
|---|---|
Beskyttelse mot dyp utladning (Ja/Nei) | Ja. 12 V enheter beskyttelse ved 10V, +/- 0,5 V. 24 V enheter beskyttelse ved 20, +/- 0,5 V. |
Overspenningsvern (Ja/Nei) | Ja |
Overtemperaturbeskyttelse (Ja/Nei) | Ja |
Kortslutning beskyttet= (Ja/Nei) | Ja |
Tekniske data, alarmkort for PRO 2 og PRO2 V3
Info | Forklaring |
|---|---|
Kortnavn: | PRO2 alarmkort |
Versjon: | 2.0 |
Produktbeskrivelse | Alarmkort for PRO2 og PRO2 V3 med alarm ved skifte av relé. Alle releer er normalt aktivert og gir en alarm når de er koblet fra. |
Eget forbruk | 40 mA (15A og 25A enheter 120 mA, (+80 mA for strømkort). |
Alarmoversikt i alfabetisk rekkefølge | Relé 1* / Alarmutgang 1 | Relé 2* / Alarmutgang 2 | Relé 3* / Alarmutgang 3 | Relé 4* / Alarmutgang 4 | Kommunikasjon (P1:1-12) | Indikatordiode på hovedkort og LED på dør. |
|---|---|---|---|---|---|---|
Strømbrudd | X | - | - | - | X | X |
Sikringsfeil | - | X | - | - | X | X |
Sabotasjebryter | - | - | - | X | X | X |
Viftefeil | - | - | - | - | X | - |
Laderfeil, overspenning | - | X | - | - | X | X |
Laderfeil, underspenning | - | X | - | - | X | X |
Cellefeil eller batteri ikke tilkoblet | - | X | - | - | X | X |
Lav systemspenning**. | - | - | X | - | X | X |
Lav batterispenning (<24,0 V DC) eller strømbrudd | - | X | - | - | X | X |
Over temperatur | - | - | - | - | X | - |
Hypotermi | - | - | - | - | X | - |
Hypotermi | - | - | - | - | X | - |
Kort batterilevetid igjen | - | - | - | - | X | - |
Gammelt batteri | - | X | - | - | X | X |
Overstrøm 100 %, minuttgjennomsnitt | - | - | - | - | X | - |
Overstrøm 80 %, daglig gjennomsnitt | - | - | - | - | X | - |
Overstrøm 175 %, andre snitt | - | - | - | - | X | - |
*Alarm på potensialfri relékontakt.
** Systemspenningen i nettdrift er under 24,0 V.
350-232
Nettaggregat
Nettaggregat - Tekniske data RSP-320-24
Sitter i: |
|---|
NOVA 24V 15A FLX M |
Info | Forklaring |
|---|---|
Utspenning: | 27,3V |
Utflod | 0 A - 13,4 A |
Utspenning:, ripple | 150 mVp-p |
Overspenning | 27,6 V – 32,4 V |
Utspenning:sopplading, rippel/strømbegrensning | Mindre enn 1,2 Vp-p |
Virkningsgrad | 89 % |
Strømbegrensning | 105 % - 135 % |
Konstantspenning | +/- 0,5 % |
Reguleringsnøyaktighet | +/- 1,0 % |
Inngangsstrøm (230 V) | 2 A |
Nettspenningsfrekvens | 47 Hz - 63 Hz |
Nettspenning | 230 V AC - 240 V AC |
Merkeeffekt | 321,6W |
Temperaturspenn | -30°C - +70°C |
Fuktighetsområde | 20% - 90% RH ikke-kondenserende |
Nettaggregat - Tekniske data HRP-600-24
Sitter i: |
|---|
NOVA 24V 25A FLX M |
Info | Forklaring |
|---|---|
Utspenning: | 27,3V |
Utflod | 0 A - 27 A |
Utspenning:, ripple | 150 mVp-p |
Overspenning | 30 V – 34,8 V |
Utspenning:sopplading, rippel/strømbegrensning | Mindre enn 1,2 Vp-p |
Virkningsgrad | 88 % |
Strømbegrensning | 105 % - 135 % |
Konstantspenning | +/- 0,5 % |
Reguleringsnøyaktighet | +/- 1,0 % |
Inngangsstrøm (230 V) | 3,6 A |
Nettspenningsfrekvens | 47 Hz - 63 Hz |
Nettspenning | 230 V AC - 240 V AC |
Merkeeffekt | 648 W |
Temperaturspenn | -30°C - +70°C |
Fuktighetsområde | 20% - 90% RH ikke-kondenserende |
Tekniske data vedlegg
Tekniske data - Tekniske data
Info | Forklaring |
|---|---|
Navn | FLX M |
beskyttelseklasse | IP 32 |
Mål | Høyde: 224 mm, bredde 438 mm, dybde 212 mm |
Høydeenheter | 5 HAN |
Montering | Vegg eller 19" stativ. |
Omgivelsestemperatur | +5 °C - +40 °C. For best mulig batterilevetid: +15 °C til +25 °C. |
Miljø | Miljøklasse 1, innendørs. 20 % ~ 90 % relativ fuktighet |
Materiale | Pulverlakkert stålplate. |
Farge | Svart |
Kabelinnføringer, antall | 4 |
Batterier som passer | 2 stk 12 V, 20 Ah. |
Vifte | Ja |
Lenke til den nyeste informasjonen
Produkter er gjenstand for oppdateringer, og du finner alltid den siste informasjonen på vårt nettsted.
Garanti, kundestøtte, produksjonsland og opprinnelsesland
Garanti 5 år
Produktet har fem års garanti fra kjøpsdato (dersom ikke annet er avtalt). Tilgang til kostnadsfri kundestøtte i garantitiden på e-post support@milleteknik.se eller telefon +46 (0)31-34 00 230. Godtgjørelse for reise- og/eller arbeidstid i tilknytning til feilsøking og/eller installasjon av reparert eller erstattet produkt omfattes ikke av garantien. Kontakt Milleteknik for mer informasjon. Milleteknik tilbyr kundestøtte i produktets levetid, begrenset oppad til ti år fra kjøpsdatoen. Et produkt kan bli erstattet med et likeverdig produkt dersom Milleteknik vurderer at reparasjon ikke er mulig. Når garantitiden er utløpt, vil det påløpe kostnader ved bruk av kundestøtte.
Produsentens support
Produsenter gir support i løpet av produktets levetid, men ikke lenger enn 10 år etter kjøpsdato. Utskifting av et tilsvarende produkt kan forekomme dersom produsenten vurderer at reparasjon ikke er mulig. Kostnader for support kommer i tillegg etter at garantiperioden er utløpt.
Kundestøtte
Trenger du hjelp til installasjon eller tilkobling?
Du finner svar på mange spørsmål på: www.milleteknik.se/support
Telefon: +46 (0)31- 340 02 30, e-post: support@milleteknik.se.
Kundestøttetelefonen er åpen 8.00–16.00 mandag til torsdag og 8.00–15.00 på fredager. Stengt 11.30–13.15.
Reservedeler
Kontakt kundestøtte om du har spørsmål om reservedeler.
Kundestøtte etter garantitiden
Milleteknik tilbyr kundestøtte i produktets levetid, begrenset oppad til ti år fra kjøpsdatoen. Et produkt kan bli erstattet med et likeverdig produkt dersom produsenten vurderer at reparasjon ikke er mulig. Når garantitiden er utløpt, vil det påløpe kostnader ved bruk av kundestøtte.
Spørsmål om produktytelse?
Telefon for salg: 031- 340 02 30, e-post: sales@milleteknik.se
Kontakt oss
Milleteknik AB
Ögärdesvägen 8 B
433 30 Lott
Sverige
+46 31-34 00 230
www.milleteknik.se
Produksjonsland
Sverige
Produsent
Utviklet og produsert av Milleteknik AB
Produktets levetid, miljøpåvirkning og resirkulering
Produktet er designet og konstruert for lang levetid, noe som reduserer miljøbelastningen. Produktets levetid (unntatt slitedeler) avhenger blant annet av miljøfaktorer, hovedsakelig omgivelsestemperatur, uforutsett belastning på komponenter som lynnedslag, ytre påvirkning, håndteringsfeil mv. Produktene resirkuleres ved at de leveres til nærmeste gjenvinningsstasjon eller sendes tilbake til produsenten. Kontakt din distributør for mer informasjon. Kostnader som påløper i forbindelse med gjenvinning dekkes ikke.

Batterier
Batterier følger ikke med
Batterier selges separat.
Batterikombinasjoner NOVA FLX M
Batterikapasitet (Ah) | Batteritype | Antall batterier | Batterier i enheten |
|---|---|---|---|
20 Ah | 20 Ah | 2 stk | 2 i Battery Backup |
45 Ah | 45 Ah | 2 stk | 0 i batterisikkerhetskopiering 2 i batteriboks 1 |
65 Ah | 20 Ah+ 45 Ah | 4 stk | 2 i Batteri backup 2 i batteriboks 1 |
90 Ah | 45 Ah | 4 stk | 0 i batterisikkerhetskopiering 2 i batteriboks 1 2 i batteriboks 2 |
110 Ah | 20 Ah+ 45 Ah | 6 stk | 2 i Batteri backup 2 i batteriboks 1 2 i batteriboks 2 |
135 Ah | 45 Ah | 6 stk | 0 i batterisikkerhetskopiering 2 i batteriboks 1 2 i batteriboks 2 2 i batteriboks 3 |
155 Ah | 20 Ah+ 45 Ah | 8 stk | 2 i Battery Backup 2 i batteriboks 1 2 i batteriboks 2 2 i batteriboks 3 |
180 Ah | 45 Ah | 8 stk | 0 i batterisikkerhetskopiering 2 i batteriboks 1 2 i batteriboks 2 2 i batteriboks 3 2 i batteriboks 4 |
200 Ah | 20 Ah+ 45 Ah | 10 deler | 2 i Battery Backup 2 i batteriboks 1 2 i batteriboks 2 2 i batteriboks 3 2 i batteriboks 4 |
Sertifisert med batteritype
Enheten er sertifisert med et UPLUS-batteri som må brukes for å opprettholde sertifikatet.
20 Ah, 12 V AGM batteri
Passer inn | Antall batterier |
|---|---|
NOVA 24V 15A FLX M | 2 |
NOVA 24V 25A FLX M | 2 |
Batteritype | V | Ah |
|---|---|---|
Vedlikeholdsfri AGM, blybatteri. | 12 V | 20 Ah |
Artikkelnummer | E-nummer | Arikkelnavn | Terminal | Mål. Høyde bredde dybde | Vekt per stk | Fabrikat |
|---|---|---|---|---|---|---|
MT113-12V20-01 | 5230538 | UPLUS 12V 20Ah 10+ Designlivsbatteri | M5 Bolt | 182x77x168 mm | 6,0 kg | UPLUS |
Reserver driftstimer - oversikt
Tabellen viser forventet backupdriftstid ved ulike belastninger på batteribackupen.
Viktig
Dette er en veiledning og alle tider er omtrentlige og kan avvike fra faktiske tider. Belastning, temperatur og andre faktorer spiller en rolle, og det er derfor den nøyaktige tiden ikke kan gis.
Gjelder nye batterier.
Strømstyrke og batterier varierer med konfigurasjon, sjekk om konfigurasjonen kan håndtere batterier og strømstyrke.
Middels strøm | 7,2 Ah | 14 Ah | 28 Ah | 45 Ah |
|---|---|---|---|---|
Laster | Reserver driftstid (ca), minutter | |||
0,5 A | 450 | 820 | 1650 | 2350 |
1 A | 260 | 485 | 970 | 1460 |
2 A | 150 | 280 | 560 | 920 |
4 A | 90 | 165 | 335 | 550 |
6 A | 67 | 125 | 245 | 405 |
8 A | 57 | 105 | 210 | 350 |
10 A | 44 | 80 | 160 | 270 |
12 A | 38 | 70 | 140 | 235 |
14 A | 33 | 60 | 120 | 200 |
16 A | 28 | 50 | 100 | 170 |
18 A | 25 | 45 | 89 | 150 |
20 A | 23 | 42 | 84 | 142 |
Middels strøm | 28 Ah | 42 Ah | 65 Ah | 70 Ah |
|---|---|---|---|---|
- | 4 batterier (14 Ah) | 6 batterier (14 Ah) | 4 batterier (20 Ah + 45 Ah) | 10 batterier (7 Ah) |
Laster | Reserver driftstid (ca), minutter | |||
0,5 A | 1650 | 2090 | 5574 | 3440 |
1 A | 970 | 865 | 3252 | 2118 |
2 A | 560 | 815 | 1770 | 1329 |
4 A | 335 | 490 | 930 | 864 |
6 A | 245 | 360 | 600 | 605 |
8 A | 210 | 310 | 426 | 544 |
10 A | 160 | 240 | 342 | 414 |
12 A | 140 | 210 | 270 | 363 |
14 A | 120 | 180 | 234 | 311 |
16 A | 100 | 150 | 204 | 286 |
18 A | 90 | 130 | 150 | 254 |
20 A | 84 | 126 | 138 | 241 |
Middels strøm | 90 Ah | 110 Ah | 135 Ah | 155 Ah |
|---|---|---|---|---|
- | 4 batterier (45 Ah) | 6 batterier (20 Ah + 45 Ah) | 6 batterier (45 Ah) | 8 batterier (20 Ah + 45 Ah) |
Laster | Reserver driftstid (ca), minutter | |||
0,5 A | 4705 | 5796 | 7056 | 8215 |
1 A | 2928 | 3582 | 4392 | 5070 |
2 A | 1836 | 2247 | 2754 | 3230 |
4 A | 1183 | 1438 | 1762 | 2018 |
6 A | 788 | 959 | 1175 | 1345 |
8 A | 748 | 861 | 1048 | 1150 |
10 A | 570 | 689 | 839 | 920 |
12 A | 499 | 603 | 699 | 765 |
14 A | 427 | 516 | 629 | 655 |
16 A | 404 | 499 | 592 | 590 |
18 A | 359 | 444 | 526 | 520 |
20 A | 340 | 420 | 498 | 495 |
Middels strøm | 180 Ah | 200 Ah | 225 Ah |
|---|---|---|---|
- | 8 batterier (45 Ah) | 10 batterier (20 Ah + 45 Ah) | 10 batterier (45 Ah) |
Laster | Reserver driftstid (ca), minutter | ||
0,5 A | 9408 | 12972 | 11760 |
1 A | 5856 | 7872 | 7320 |
2 A | 3672 | 4548 | 4590 |
4 A | 2365 | 2670 | 2945 |
6 A | 1577 | 1780 | 1960 |
8 A | 1500 | 1558 | 1800 |
10 A | 1140 | 1246 | 1410 |
12 A | 950 | 1038 | 1200 |
14 A | 855 | 890 | 1055 |
16 A | 810 | 902 | 995 |
18 A | 715 | 802 | 885 |
20 A | 680 | 722 | 840 |
Med forbehold om skrivefeil.
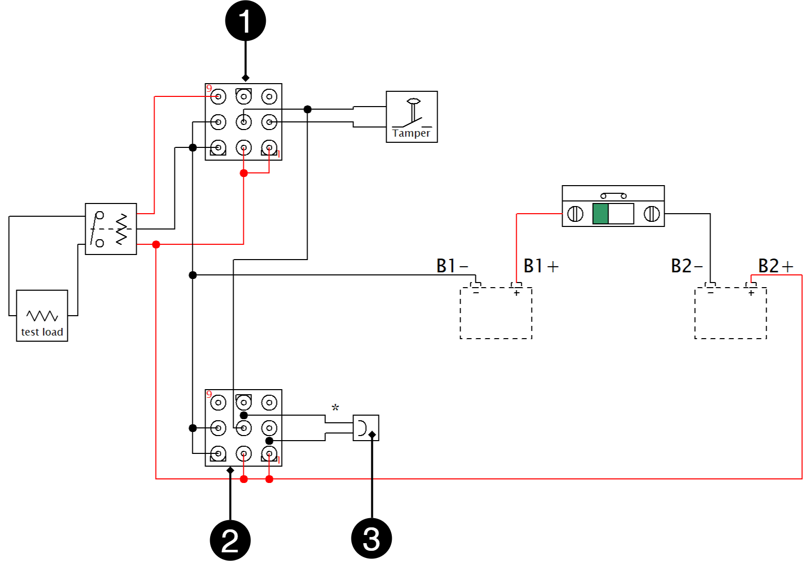
Koble til batteriboks
Hva må gjøres i batteri-backup ved montering av batteriboks
Det er kabelinnføringer/knockout-hull i bunnen på batteri-backupen som slås ut før montering.
Enheten må være uten spenning ved montering og tilkobling.
Bruk kablingen som føler med batteriboksen og passer til kablingen for batteri-backupen.

Bildet viser kabeltilkobling fra batteri-backupen som møter kabler fra batteriboksen, og kabel som skal kuttes i batteri-backupen for å danne en sløyfe for manipuleringsalarmen.
Tilkoblingsskjema over batterier i batteriboks
Batteriledning er montert i batteriboksen ved levering. Bildet viser hvordan kablingen skal kobles til.
Advarsel
Skader på utstyr kan oppstå ved feil tilkobling.

Notat
Type sikring mellom batteriene varierer med konfigurasjonen.
Koble til batteriboks med batteri-backup

Bildet gir en oversikt over koblinger for batterikabler og batterisikringer.
Batterikabler | Forklaring |
|---|---|
B1+ | Kobles til sikring. |
B1- | Kabel fra hovedkort kobles til batteri. |
B2+ | Kabel fra hovedkort kobles til batteri. |
B2- | Kobles til sikring. |
B3+ | Kobles til sikring. |
B3- | Kobles via tilkoblingskontakt til batteri i batteri-backup. |
B4+ | Kobles via tilkoblingskontakt til batteri i batteri-backup. |
B4- | Kobles til sikring. |
Nummer | Forklaring |
|---|---|
1 | Batterisikring. |
2 | Koble sammen batteri-backup og batteriboks med en hvit, firkantet 9-pinners kontakt. |
Koblingsskjema og jumper
Alarm til sabotasjekontakt kobles i serie og derfor må sløyfen være ubrutt til siste batteribokskabel. Jumper lukker sløyfen på hver kabel som går fra batteribackup til batteriboks og for at det skal kunne gis alarm på sabotasjekontakten i batteriboksen må jumperen på kabelen kuttes. Ikke kutt jumperen på den siste kabelen i batteriboksen, da vil det ikke gis alarm for manipulering i noen tilkoblet batteribackup eller batteriboks.


Antall | Forklaring |
|---|---|
1 | IN - innkommende tilkobling |
2 | OUT - utgående tilkobling |
3 | Jumper på stikkontakt på utgående tilkobling |
Enheter | Jumper - hvor skal man kutte / ikke kutte | Hvor enden av løkken skal være |
|---|---|---|
Batteribackup uten batteriboks | Ikke kutt jumperen | Jumper må forbli i batteribackup |
Batteribackup + 1 batteriboks | Kutt jumper fra batteribackup | Jumper må forbli i batteriboks 1 |
Batteribackup + 2 batteribokser | Kutt jumper i batteribackup og fra batteriboks 1 | Jumper må forbli i batteriboks 2 |
Skjematisk tilkobling av batteribackup med fire batteribokser

Sabotasjekontakt ved ekstra batteriboks
Hvis en eller flere batteribokser er koblet til enheten, skal sabotasjekontaktene kobles i serie slik at alarmer fra alle enheter gis. Det er viktig at seriekoblingen har lukking ved siste sabotasjekontakt. Seriekoblingen skal starte i enheten og snu tilbake i den siste batteriboksen.
Alle sabotasjekontakter skal være i serie slik at alle sabotasjekontakter må inngå i alarmkjeden. Derfor må kabelen som er festet til ni-pinners kontakten kuttes. På den siste koblingen/batteriboksen må den brokoblede kabelen ikke kuttes.
Adresse og kontaktopplysninger
Milleteknik AB |
Ögärdesvägen 8 B |
S-433 30 Partille |
Sverige |
+46 31 340 02 30 |
info@milleteknik.se |
www.milleteknik.se |
[1] Oversettelser på andre språk enn svensk er kun veiledende og ikke trygt gjennomgått. Oversettelse bør alltid kontrolleres mot den svenske originalen for å sikre nøyaktig informasjon













